This Item Ships For Free!
Remote control car circuit diagram shop
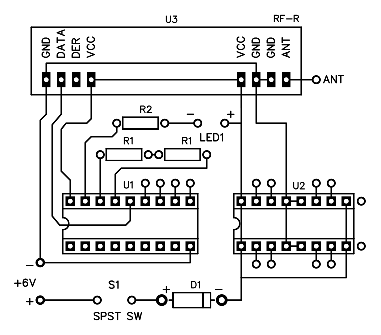
Remote control car circuit diagram shop, Very Easy Homemade Remote Control Car Circuit with Circuit Diagram shop
4.6
Remote control car circuit diagram shop
Best useBest Use Learn More
All AroundAll Around
Max CushionMax Cushion
SurfaceSurface Learn More
Roads & PavementRoads & Pavement
StabilityStability Learn More
Neutral
Stable
CushioningCushioning Learn More
Barefoot
Minimal
Low
Medium
High
Maximal
Product Details:
Design for a Radio Controlled Car Planet Analog shop, Remote controlled Car Using Arduino MYTECTUTOR shop, How to build a Remote control RC car at home Gadgetronicx shop, Wired remote control hotsell car circuit shop, Exploring the Basics of Remote Control Circuits or Simple RC Car Circuits RayMing PCB shop, Index 26 Remote Control Circuit Circuit Diagram SeekIC shop, Remote Controlled Toy Car using 433 MHz Remote Modules Homemade Circuit Projects shop, IR Remote Control Car Using Arduino and TSOP1738 Sensor shop, Toy car shop circuit diagram shop, RC Car Schematics shop, RF Remote Control Car 6 Steps with Pictures Instructables shop, Very Easy Homemade Remote Control Car Circuit with Circuit Diagram shop, Wireless remote store control car circuit shop, Making a Remote Controlled Car using Sun SPOT under Repository circuits 55260 Next.gr shop, Simple rc car circuit afterburner board shop, Remote control toy car transmitter circuit Automotive Circuit Circuit Diagram SeekIC shop, Block diagram of the hardware implementation. Remote control monitor. Download Scientific Diagram shop, Toy car shop circuit diagram shop, How to make rc car using remote control circuit remote control circuit connection shop, Circuit diagram of sales remote control car shop, Remote Control Car Circuit Everything You Should Know About It PCB COPY shop, Remote Controlled Toy Car using 433 MHz Remote Modules Homemade Circuit Projects shop, Remote control shop car circuit diagram shop, Remote control sales car circuit diagram shop, A Beginner Guide to Remote Control Circuits for DIY RC Cars shop, Rc car top circuit diagram shop, Electronic Spices 4CH RC remote control 27MHz circuit PCB transmitter receiver board with antenna Radio system for toy car Amazon.in Toys Games shop, Circuit diagram of shop remote control car shop, Remote control toy car circuit shop diagram shop, Remote control sales car circuit diagram shop, RF Remote Control Car 6 Steps with Pictures Instructables shop, Remote Control Circuit Diagram For Toy Car shop, The remote control circuit diagram Download Scientific Diagram shop, IR Remote Control Car How To Make Remote Control Car Using Arduino shop, Toy car circuit sales diagram shop, Product Info: Remote control car circuit diagram shop.
- Increased inherent stability
 - Smooth transitions
 - All day comfort
 
Model Number: SKU#7331843
Specs & Fit
Remote control car circuit diagram shop
How It Fits
Remote Controlled Toy Car using 433 MHz Remote Modules Homemade Circuit Projects- remote control car circuit diagram
 - remote control car circuit board with remote
 - remote control car circuit diagram pdf
 - remote control car circuit price
 - remote control car climbing walls
 - remote control car climbs walls
 - remote control car clubs
 - remote control car clubs near me
 - remote control car company
 - remote control car components
 




